КМХ
0,00 руб
Насос серии КМХ 65-40-200, насос серии КМХ-Д 65-40-200 предназначены для перекачки разных химически активных жидкостей, включая кислоты, щелочи и растворы солей до плотности 1,8г/см3 и температуре от - 40 оС до +70 оС.
Отрасли применения:
- химическая,
- нефтехимическая,
- фармацевтическая,
- энергетика,
- машиностроение.
Перекачиваемые жидкости:
- химически активные жидкости (кислоты, щелочи, гидроокиси - см. таблицу 1),
- в перекачиваемой жидкости допускается содержание твердых включений в количестве не более 0,1 % по массе с размером частиц не более 0,2 мм.,
- кинематическая вязкость перекачиваемой жидкости не более 30 сСт.,
- плотность не более 1850 кг/м3.
Тип конструкции:
- проточная часть насосов КМХ (КМХ-Д) изготовлена из армлена, устойчивого к химически активным жидкостям,
- возможность изготовления насоса для работы от привода автомобиля (КМХ-Д-65-40-200),
- насосы КМХ (КМХ-Д) изготавливаются на базе электродвигателей общепромышленного исполнения, при применении во взрывоопасных помещениях - на базе взрывозащищённых электродвигателей (ВЗГ),
- вид климатического исполнения У2,
- возможно изготовление насосов по индивидуальным требованиям заказчика (подача, напор, климатическое исполнение и пр.).
Гарантия 18 месяцев.
Продукция сертифицирована в соответствии:
ТР ТС 010/2011 «О безопасности машин и оборудования»
Характеристики перекачиваемых компонентов:
|
Перекачиваемая жидкость |
Концентрация, % |
Температура, ОС |
|
Серная кислота |
0-98 |
1-70 |
|
Соляная кислота |
0-37 |
1-60 |
|
Азотная кислота |
0-40 |
1-60 |
|
Фтористоводородная кислота |
0-60 |
20-70 |
|
Фосфорная кислота |
0-95 |
1-60 |
|
Уксусная кислота |
0-98 |
1-60 |
|
Щелочь натриевая |
0-50 |
20-70 |
|
Гидроокись алюминия |
0-32 |
20-70 |
|
Г идроокись калия |
0-53 |
20-70 |
Технические характеристики насосов КМХ 65-40-200 (15 кВт, 22 кВт):
|
Марка насоса |
Номин. подача, м3/ч |
Номин. напор, м |
Материал проточной части |
Мощность двигателя, кВт |
Напряжение, В |
Г абаритные размеры без тары, мм |
Масса без тары не более, кг. |
КПД насоса, % |
|
КМХ 65-40-200 КМХ 65-40-200 (с двиг. ВЗГ) |
24 |
50 |
армлен |
15 |
380 |
820х355х445 |
180 210 |
52 |
|
КМХ 65-40-200 КМХ 65-40-200 (с двиг. ВЗГ) |
40 |
45 |
22 |
922х355х460 |
200 225 |
52 |
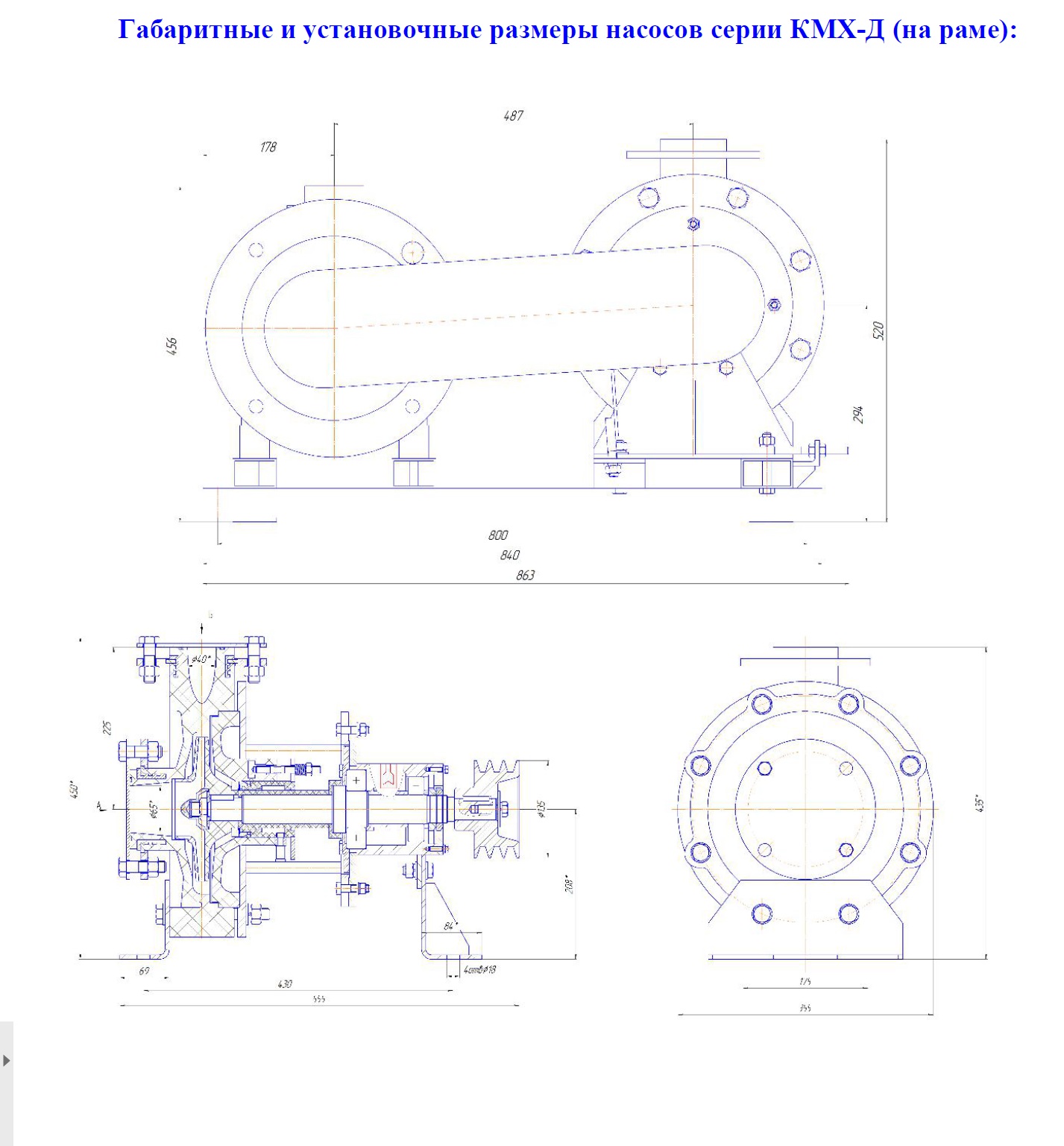
Габаритные размеры насосов серии КМХ:
|
Наименование насоса |
Размеры, мм. |
||||||||||||||||
|
L |
и |
L2 |
|
E |
H |
K |
C |
B |
D |
d |
n |
Di |
Ni |
Ду |
т |
h |
|
|
КМХ 65-40-200 (15 кВт.) |
543 |
72 |
179 |
140 |
114 |
348 |
144 |
190 |
313 |
130 |
14 |
4 |
14 |
4 |
50 |
32 |
100 |
|
КМХ 65-40-200 (22 кВт.) |
764 |
100 |
225 |
203 |
|
460 |
200 |
279 |
350 |
160 |
18 |
8 |
18 |
4 |
80 |
50 |
160 |
Технические характеристики насосов КМХ-Д 65-40-200:
|
Марка насоса |
Номин. подача, м3/ч |
Номин. напор, м |
Материал проточной части |
Мощность двигателя, кВт |
Напряжение, В |
Габаритные размеры без тары, мм |
Масса без тары не более, кг. |
КПД насоса, % |
|
КМХ-Д 65-40-200 (на раме) |
24 |
50 |
армлен |
11 |
привод через шкив |
863х580х535 |
165 |
52 |
|
КМХ-Д 65-40-200 |
24 |
50 |
15 |
555х355х435 |
55 |
52 |
ЦЕНА
|
Марка насоса |
Цена с НДС, руб. |
|
КМХ-Д-65-40-200*** |
- |
|
КМХ 65-40-200 |
- |
|
КМХ 65-40-200 (с двиг. ВЗГ) |
- |
|
КМХ 65-40-200 |
- |
|
КМХ 65-40-200 (с двиг. ВЗГ) |
- |
|
ХМ 50-32-200К |
- |
|
ХМ 50-32-200К (с двиг. ВЗГ) |
- |
|
ХМ 80-50-200К |
- |
|
ХМ 80-50-200К (с двиг. ВЗГ) |
- |
Наши менеджеры подскажут о важных свойствах товара, наличии на складе в г. Санкт-Петербург, о реальных сроках и способах поставки груза. Подберут оборудование и сделают расчет стоимости. Для дополнительной информации обращайтесь в офис нашей компании по электронному адресу: azs-tehnik@yandex.ru либо по телефону +7 (812) 716-60-16, +7(965) 770-89-00.
Доставка осуществляется по всей территории страны любыми транспортными компаниями: ТК "КИТ" Сервис, ТК "Деловые линии" и другими. Оплата транспортных расходов производится заказчиком на месте транспортной компании либо включается в стоимость оборудования.

