Фильтры ФЖУ
18800,00 руб
Фильтры жидкости типа ФЖУ 25-1,6, ФЖУ 40-0,6, ФЖУ 40-1,6, ФЖУ 80-1,6, ФЖУ 80-6,4, ФЖУ 100-1,6, ФЖУ 100-6,4, ФЖУ 150-1,6, ФЖУ 150-6,4 предназначены для очистки от механических примесей неагрессивных нефтепродуктов с кинематической вязкостью от 0,55 до 300 мм2/с, температурой от минус 50 0С до плюс 50 0С, давлением 0,6 МПа, 1,6 МПа и 6,4 МПа.
1.2 Фильтры используются в стационарных установках, а также на наземных подвижных средствах заправки и перекачки при их работе на месте в условиях, исключающих прямое воздействие солнечного излучения и атмосферных осадков.
ТЕХНИЧЕСКИЕ ХАРАКТЕРИСТИКИ
Таблица 1.
|
|
Наименования параметров |
)ОВ |
|||||
|
Тип фильтра |
Усл. проход, мм |
Раб. давл., МПа |
Темпер. окруж. воздуха, °С |
Ном. тонкость фильтрации, мкм |
Кинем. вязкость фильтруемой жидкости, мм2/с |
Напр потока жидк. |
Номин. расход фильтр. жидкости, м 3/ч |
|
ФЖУ-25/1,6 |
25 |
1,6 |
от минус 50 до плюс 50
|
25, 50, 100, 200, 500,1000
|
от 0,55 до 300
|
по стрелке на корпусе
|
см. Таблицу2
|
|
ФЖУ-40/0,6 |
40 |
0,6 |
|||||
|
ФЖУ-40/1,6 |
40 |
1,6 |
|||||
|
ФЖУ-50/1,6 |
50 |
1,6 |
|||||
|
ФЖУ-65/1,6 |
65 |
1,6 |
|||||
|
ФЖУ-80/1,6 |
80 |
1,6 |
|||||
|
ФЖУ-80/6,4 |
80 |
6,4 |
|||||
|
ФЖУ-100/1,6 |
100 |
1,6 |
|||||
|
ФЖУ-100/6,4 |
100 |
6,4 |
|||||
|
ФЖУ-150/1,6 |
150 |
1,6 |
|||||
|
ФЖУ-150/6,4 |
150 |
6,4 |
|||||
|
ФЖУ-200/1,6 |
200 |
1,6 |
|||||
|
*По заказу потребителя допускается изготовление фильтров с другой тонкостью фильтрации. |
|||||||
Таблица 2
|
Тип фильтра |
3 2 Номинальные расходы, м /ч при вязкости жидкости в мм /с |
|||
|
от 0,55 |
от 6,0 |
от 60 |
от 150 |
|
|
|
ДО 6,0 |
до 60,0 |
до 150 |
до 300 |
|
ФЖУ-25/1,6 |
3,6 |
3 |
2 |
2 |
|
ФЖУ-40/0,6 |
17 |
12 |
11 |
11 |
|
ФЖУ-40/1,6 |
||||
|
ФЖУ-50/1,6 |
20 |
16 |
13 |
13 |
|
ФЖУ-65/1,6 |
26 |
21 |
17 |
17 |
|
ФЖУ-80/1,6 |
100 |
70 |
70 |
50 |
|
ФЖУ-80/6,4 |
||||
|
ФЖУ-100/1,6 |
120 |
80 |
80 |
60 |
|
ФЖУ-100/6,4 |
||||
|
ФЖУ-150/1,6 |
280 |
250 |
200 |
200 |
|
ФЖУ-150/6,4 |
||||
|
ФЖУ-200/1,6 |
360 |
310 |
260 |
240 |
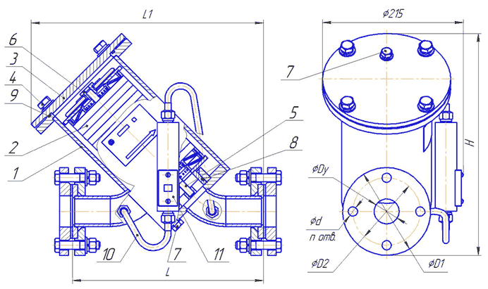
Фильтры жидкости ФЖУ 25-1,6; ФЖУ 40-0,6,ФЖУ 40-1,6. Габаритные и присоединительные размеры.
| Тип фильтра | H, мм | L, мм | L1, мм | D1, мм | D2, мм | Dy, мм | d, мм | n |
| ФЖУ 25-1,6 | 285 | 255 | 310 | 115 | 85 | 25 | 14 | 4 |
| ФЖУ 40-0,6 | 330 | 283 | 345 | 130 | 100 | 40 | 14 | 4 |
| ФЖУ 40-1,6 | 340 | 283 | 350 | 145 | 110 | 40 | 18 | 4 |
Габаритные и присоединительные размеры фильтры жидкости ФЖУ 80-1,6; ФЖУ 80-6,4; ФЖУ100-1,6; ФЖУ100-6,4; ФЖУ150-1,6; ФЖУ 150-6,4.
| Тип фильтра | H, мм | h, мм | d1, мм | d2, мм | d3, мм | d4, мм | L1, мм | L2, мм |
| ФЖУ 80-1,6 | 570 | 115±3 | 195 | 160 | 120 | 80 | 460±1,5 | 590±3 |
| ФЖУ 80-6,4 | 605 | 115±3 | 210 | 170 | 133 | 80 | 490±1,5 | 790±3 |
| ФЖУ100-1,6 | 580 | 125±3 | 215 | 180 | 158 | 100 | 460±1,5 | 590±3 |
| ФЖУ100-6,4 | 665 | 175±3 | 250 | 200 | 158 | 100 | 490±1,5 | 740±3 |
| ФЖУ150-1,6 | 790 | 215±3 | 280 | 240 | 212 | 150 | 490±1,5 | 615±3 |
| ФЖУ150-6,4 | 790 | 220±3 | 340 | 280 | 212 | 150 | 520±1,5 | 810±3 |
Также возможны любые варианты по присоединительным размерам заказчика.
ЦЕНА и СРОКИ:
|
№пп |
Наименование |
Цена с НДС |
|
1 |
Фильтр ФЖУ 25/1.6. |
18 800,00 |
|
2 |
Фильтр ФЖУ 40/1.6. |
20 400,00 |
|
3 |
Фильтр ФЖУ 50/1.6. |
37 800,00 |
|
4 |
Фильтр ФЖУ 80/1.6. |
61 800,00 |
|
5 |
Фильтр ФЖУ 100/1.6. |
63 000,00 |
|
6 |
Фильтр ФЖУ 150/1.6. |
82 200,00 |
|
7 |
Фильтр ФЖУ-200-1,6 (тонкость фильтФрации 500 мкм, Ду-200) |
350 000,00 |
|
8 |
Фильтр ФЖУ-250-1,6 (тонкость фильтрации 500 мкм, Ду-250) |
492 100,00 |
|
9 |
Фильтр ФЖУ-300-1,6 (тонкость фильтрации 500 мкм, Ду-300) |
516 320,00 |
Поставка оборудования в течении 7-10 дней.
Наши менеджеры подскажут о важных свойствах товара, наличии на складе в г. Санкт-Петербург, о реальных сроках и способах поставки груза. Подберут оборудование и сделают расчет стоимости. Для дополнительной информации обращайтесь в офис нашей компании по электронному адресу: azs-tehnik@yandex.ru либо по телефону +7 (812) 716-60-16, +7(965) 770-89-00.
Доставка осуществляется на территории всей страны транспортными компаниями ТК "КИТ" Сервис, ТК "Деловые линии" и другими. Оплата транспортных расходов производится заказчиком на месте транспортной компании либо включается в стоимость оборудования.


